


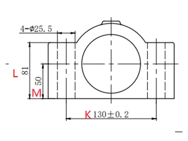
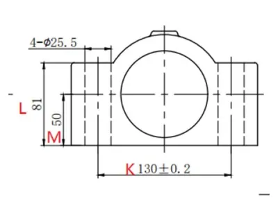
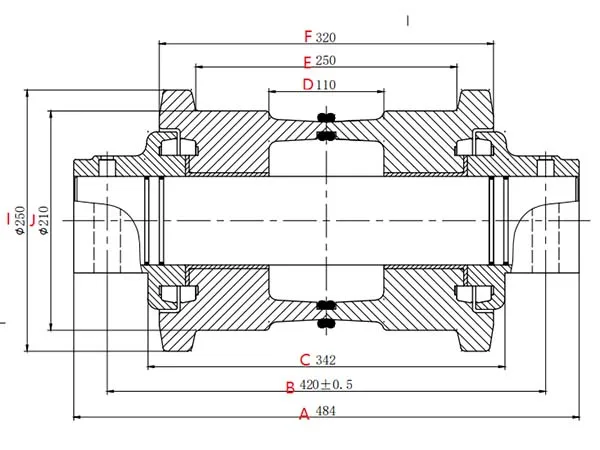
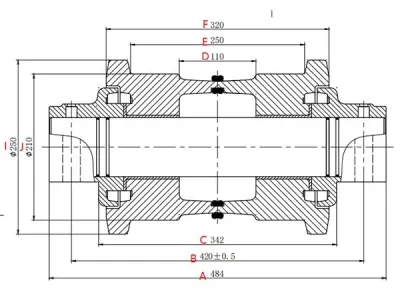
Компания PingTai Machinery (PT'ZM) была основана в 1987 году и специализируется на производстве различных запчастей для ходовых частей экскаваторов и бульдозеров, включая опорные и поддерживающие катки, ведущие колеса и зубья, а также связанные с ними компоненты. Все наши детали изготавливаются в строгом соответствии с OEM-спецификациями и размерами 1:1 для техники от таких ведущих брендов, как Komatsu, Caterpillar, Hitachi, Volvo и других, используемой в горной добыче, городском строительстве и различных экстремальных условиях. Мы сертифицированы по стандартам GB/ISO9001, ISO14001 и ISO45001 и обслуживаем клиентов по всему миру, предлагая высококачественную продукцию, надежную поставку, техническую поддержку и рентабельные решения для долгосрочного взаимовыгодного партнерства.