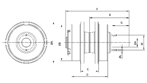
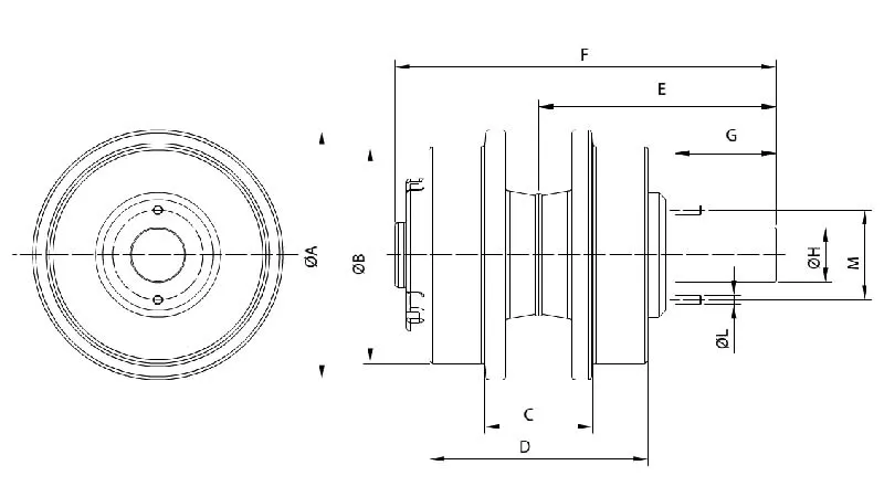
Тип: Поддерживающий каток
Страна производства: Китай
Бренд: PT'ZM
Модель совместмой техники: D275
Бренд совместимой техники: Komatsu
Номер детали: 17M-30-00340
Сертификаты качества: GB/T19001-2016, ISO9001:2015
Цена: По запросу
Способ упаковки: Морская упаковка с фумигацией
Срок поставки: 7-30 дней
Условия оплаты: T/T, другие условия обсуждаются отдельно
Условия поставки: FOB, CIF, CFR
Минимальное количество для заказа: 1 шт.
Возможности поставки: 1000 шт/месяц
Материал: 35Mn2
Производственный процесс: Ковка
Отделка: Гладкая
Твердость: HRC48-55, глубина 8-10 мм
Качество: Пригоден для строительных и горнодобывающих работ, а также тяжелых условий эксплуатации
Гарантийный срок: 12 месяцев
Послепродажное обслуживание: Видео-техническая поддержка, онлайн-поддержка
Цвет: Желтый или по желанию заказчика
Совместимая техника: Бульдозер